¡¾®a(ch¨£n)Æ·ÕfÃ÷¡¿
J41WÐÍPN16~PN160²»äP䓽ØÖ¹éy£ºÊÖ„Ó¡¢·¨ÌmßB½Ó¡¢Ö±Í¨Ê½¡¢éy×ùÃÜ·âÃæ²ÄÁÏžé 0Cr18Ni9 ϵ²»äPä“(J41W-16P~160P)¡¢0Cr17Ni12Mo2 ϵ²»äPä“(J41W-16R~160R)¡¢1Cr5Mo ãtãfä“(J41W-16I~160I)£¬¹«·Q‰ºÁ¦ PN16~PN160£¬éyów²ÄÁÏžé 0Cr18Ni9 ϵ²»äPä“(J41W-16P~160P)¡¢0Cr17Ni12Mo2 ϵ²»äPä“(J41W-16R~160R)¡¢1Cr5Mo ãtãfä“(J41W-16I~160I)µÄ½ØÖ¹éy¡£
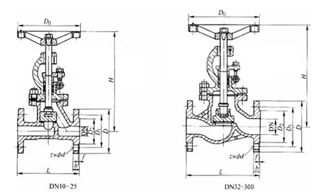
¡¾½Y(ji¨¦)˜‹(g¨°u)º†ˆD¡¿

¡¾ÐÔÄÜ…¢”µ(sh¨´)¡¿

¡¾Áã¼þ²ÄÁÏ¡¿

¡¾ÍâÐμ°½Y(ji¨¦)˜‹(g¨°u)³ß´ç¡¿
DN | L | D | D1 | D2 | b | z*§¶d | H | D0 | ÖØÁ¿(kg) |
10 | 130 | 90 | 60 | 40 | 14 | 4*§¶14 | 198 | 120 | 5 |
15 | 130 | 95 | 65 | 45 | 14 | 4*§¶14 | 200 | 120 | 5.5 |
20 | 150 | 105 | 75 | 55 | 14 | 4*§¶14 | 243 | 140 | 7.3 |
25 | 160 | 115 | 85 | 65 | 14 | 4*§¶14 | 253 | 160 | 8 |
32 | 180 | 135 | 100 | 78 | 15 | 4*§¶18 | 280 | 160 | 12 |
40 | 200 | 145 | 110 | 85 | 16 | 4*§¶18 | 312 | 200 | 16 |
50 | 230 | 160 | 125 | 100 | 16 | 4*§¶18 | 321 | 200 | 16 |
65 | 290 | 180 | 145 | 120 | 18 | 4*§¶18 | 325 | 240 | 22 |
80 | 310 | 195 | 160 | 135 | 20 | 4*§¶18 | 355 | 240 | 31 |
100 | 350 | 215 | 180 | 155 | 20 | 4*§¶18 | 415 | 280 | 45 |
125 | 400 | 245 | 210 | 185 | 22 | 4*§¶18 | 460 | 320 | 80 |
150 | 480 | 280 | 240 | 210 | 24 | 8*§¶23 | 510 | 360 | 97 |
200 | 600 | 335 | 295 | 265 | 26 | 12*§¶23 | 590 | 360 | 169 |
עጣºÒÔÉÏÍâÐγߴçµÄ¹«·Q‰ºÁ¦žéPN16£¬¼´1.6MPa¡£
•Ã÷£º±¾ÎÄÖÐËùÓÐÎÄ×Ö¡¢”µ(sh¨´)“þ(j¨´)¡¢ˆDƬ¾ùÖ»ßmÓÃÓÚ…¢¿¼£¬ÐÔÄÜ…¢”µ(sh¨´)¡¢½Y(ji¨¦)˜‹(g¨°u)³ß´ç…¢”µ(sh¨´)¡¢ƒr¸ñµÈÔ”Ç飬Ո“(li¨¢n)ϵÎÒ‚ƒ£¬ëŠÔ’£º021-59170722!